eufy Security Video Doorbell E340 (Battery Powered), Dual Cameras with Delivery Guard, 2K Full HD and Color Night Vision, HomeBase S380 Compatible, No Monthly Fee
  •  
  • $179.99 
  • $179.99
  • Free 92-day Returns
  • Ships from China.
    Price alert
    Shop it at NeweggBusiness.

    Meet Your Seller

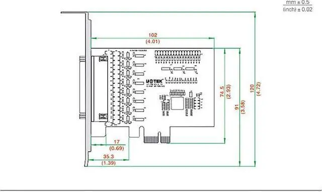
    UTEK Industrial PCI-E to 8 Port RS-485 RS-422 High Speed Serial Card PCIE to RS485 RS422 8-Port Converter ESD Anti-lightning 4U DR62 Connector UT-798

    Limited time offer, ends 11/06 By EnYZME

    • Transmission rate: 300bps-921.6kbps
    • Parity bits: None, Even, odd, Space, Mark
    • Stream control: RTS/CTS, XON/XOFF
    • Operating temperature: -40~85°C
    +
    +
    Overview
    Specs
    Reviews
    avatar

    Any questions? Our AI beta will help you find out quickly.

    Parameter:
    Hardware Interface
    Connection Type: 1 DR62 Female
    BUS: X1 2.5G bps PCl Express
    Signal
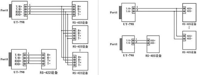
    RS-422: T/R+, T/R-, RXD+, RXD-, GND
    RS-485: Data+ (A) Data- (B) GND
    Transmission rate: 300bps- 921.6 kbps
    Data bits: 5, 6, 7, 8
    Stop bits: 1, 1.5, 2
    Parity bits: None, Even, odd, Space, Mark
    Stream control: RTS/CTS, XON/XOFF
    Operating temperature: -40~85°C

    UT-798 industrial-grade PCI-E converter card, compatible with RS-422 and RS-485 standards, can convert single-ended PCI-E signals to balanced differential RS-422/RS-485 signals with fast transient voltage suppressor protector, which is designed to protect RS-422/RS-485 interface with today's advanced TVS ( TRANSIENT VOLTAGE SUPPRESSOR) transient voltage suppressor, the TVS tube is in a high resistance state under normal conditions, when the two ends of the TVS tube are subjected to an instantaneous high energy shock, it can reduce the impedance of its two ends at a very high rate and absorb a large current, thus clamping the voltage at its two ends to a predetermined value and protecting the circuit components behind it from being damaged by transient High-voltage shock and damage. This protector can effectively suppress lightning (LIGHTNING) and ESD, providing 600W of lightning surge protection power per line, as well as surge voltages and transient overvoltages generated by various causes on the line, and the extremely small inter-pole capacitance ensures high-speed transmission of the RS-422/RS-485 interface.

    Warranty & Returns

    Warranty, Returns, And Additional Information

    Warranty

    • Please contact the Seller directly for warranty information. Warranty information may also be found on the Manufacturer's website.
    • CONTACT

    Return Policies

    • Return for refund within: 92 days
    • Return for replacement within: 92 days
    • This item is covered by EnYZME Return Policy

    Manufacturer Contact Info

    LOADING...