Super Flower Leadex VII XP PRO 1000W 80+ Platinum, Cybenetics Platinum, Full Modular, ATX 3.1&PCIe 5.1, W/12VHPWR (2x8pin-16pin native cables), FDB Fan, SF-1000F14XP, Black
  •  
  • $149.99 
  • Save: 34%
  • $465.76
  • Free 30-day Returns
  • Ships from China.
    Price alert
    Shop it at NeweggBusiness.

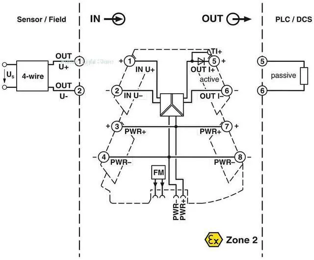
    MINI MCR-2-U-I4-PT 2902030 3-Way Signal Conditioner 0V...10V 4mA...20mA For Phoenix

    • MINI MCR-2-U-I4-PT 2902030 3-Way Signal Conditioner 0V...10V 4mA...20mA For Phoenix
    +
    +
    Overview
    Specs
    Reviews
    avatar

    Any questions? Our AI beta will help you find out quickly.

    MINI MCR-2-U-I4-PT 2902030 3-Way Signal Conditioner 0V... 10V 4mA... 20mA For Phoenix

    Warranty & Returns

    Warranty, Returns, And Additional Information

    Warranty

    • Please contact the Seller directly for warranty information. Warranty information may also be found on the Manufacturer's website.
    • CONTACT

    Return Policies

    Manufacturer Contact Info

    LOADING...