be quiet! Pure Wings 3 120mm Quiet PWM High-Speed Case Fan | Speed-regulating Closed Loop Motor| Extraordinary Air Pressure | BL141 3-pack
  •  
  • $34.50 
  • $339.57
  • Free 30-day Returns
  • Ships from China.
    Price alert
    Shop it at NeweggBusiness.

    Meet Your Seller

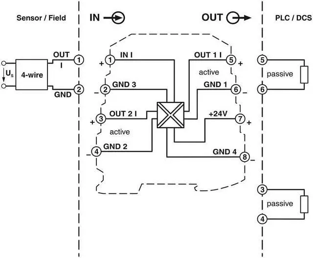
    2810829 MINI MCR-BL-I-2I Signal Duplicator

    • 2810829 MINI MCR-BL-I-2I Signal Duplicator
    +
    +
    Overview
    Specs
    Reviews
    avatar

    Any questions? Our AI beta will help you find out quickly.

    2810829 MINI MCR-BL-I-2I Signal Duplicator

    Warranty & Returns

    Warranty, Returns, And Additional Information

    Warranty

    • Please contact the Seller directly for warranty information. Warranty information may also be found on the Manufacturer's website.
    • CONTACT

    Return Policies

    Manufacturer Contact Info

    LOADING...