Your Browsing History







Any questions? Our AI beta will help you find out quickly.
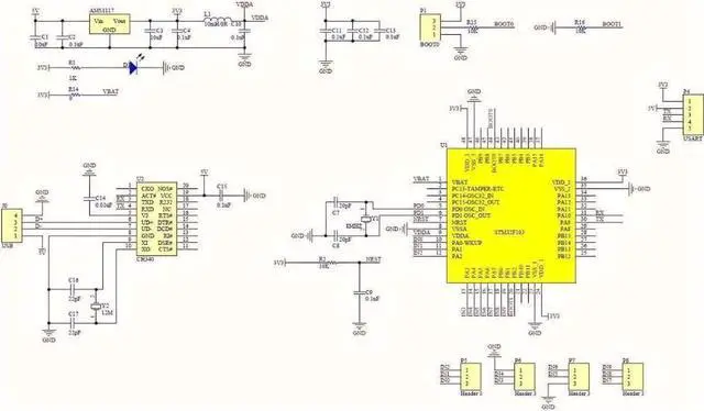
On-board STM32F103C8T6 master chip; On-board CH340 serial port USB chip convenient to view AD sampling result on PC through USB; Reserved UART serial communication interface can be connected MCU;
Analog input channels: 10 channels single-ended input; (For pin description please refer to the picture).
Sampling input voltage range: 0- 3.3V;
Power supply voltage: 3.3V / 5.0V;
Resolution: 12 Bit; NOYITO USB 10-Channel 12-Bit AD Data Acquisition Module Instructions https: //1drv. ms/u/s! AlzQUCOyZQhKgXdglMdBww95S3Vb? e=phYdR9