Super Flower Zillion Direct ATX Mid Tower Case, Patent Slope For Direct Airflow To GPU, All Mesh Panel Design for High Airflow Performance, USB 3.0 & Type-C, White, Steel
  •  
  • $99.99 
  • Save: 28%
  • $221.74
  • Free 30-day Returns
  • Ships from China.
    Price alert
    Shop it at NeweggBusiness.

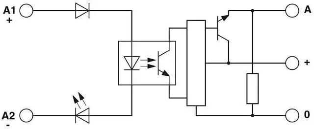
    2964283DEK-OE-24DC/24DC/100KHZ Solid-state Relay Module Fast Ship Work Fine

    • 2964283DEK-OE-24DC/24DC/100KHZ Solid-state Relay Module Fast Ship Work Fine
    +
    +
    Overview
    Specs
    Reviews
    avatar

    Any questions? Our AI beta will help you find out quickly.

    2964283DEK-OE-24DC/24DC/100KHZ Solid-state Relay Module Fast Ship Work Fine

    Warranty & Returns

    Warranty, Returns, And Additional Information

    Warranty

    • Please contact the Seller directly for warranty information. Warranty information may also be found on the Manufacturer's website.
    • CONTACT

    Return Policies

    Manufacturer Contact Info

    LOADING...