






Any questions? Our AI beta will help you find out quickly.
Description:
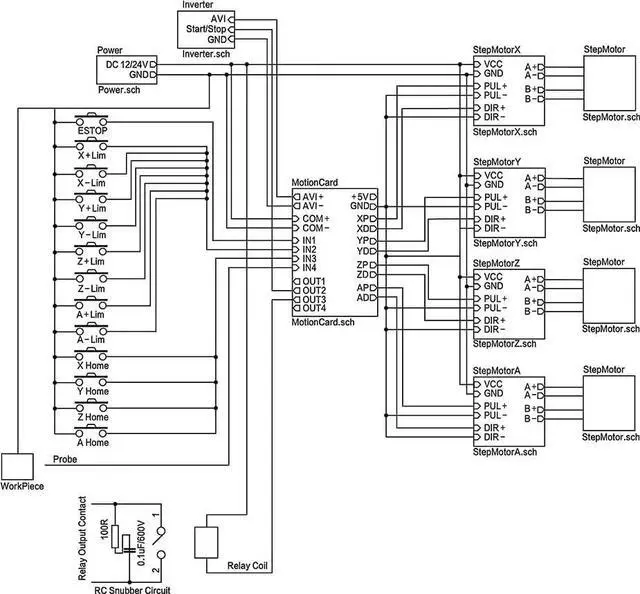
1:The motion controller needs using external 24V DC power to isolate USB and external port, and to make the system more stable. And it has 0-10V output port, you can use MACH3 software to control the spindle motor speed.
2:Super USB interface Mach3 motion control card, free drive, simple configuration and good compatibility. Especially designed for notebook and tablet PC, support for 4-axis linkage, you can connect four stepper motor drives or servo drives.
3:The 4 general-purpose isolated relay drive output interface can drive four relays for controlling the spindle starts, forward rotating and reverse rotating, pumps and other device
Specifications:
Size: 80×77mm/3.15×3.03inches
Weight: 160g/0.35lb
Package List:
1×USB CNC Controller Card
1×USB cable
1×CD(In order to protect the environment, CDs are no longer sent in packages. The information will be sent via email or Google Drive.Users who mind please do not place an order.)