Hello
Select address
Search
Change Country
Returns
& Orders
Menu
Shell Shocker
PC Builder
Shopping Tools
Clearance
Best Sellers
Newegg Card
Gamer Community
Games
Laptop Upgrade
Trade-In
Free Gift w/ AMD
Newegg
Business
Feedback
Help Center
Your Browsing History
Home
Electronics
Home Video Accessories
Audio / Video Accessories
Dayton
Item#: 9SIA5D52R29432
Questions & Answers
double click image to zoom in
1/5
Close
double click image to zoom in
Shop All Dayton Products
|
Visit Zoro Store
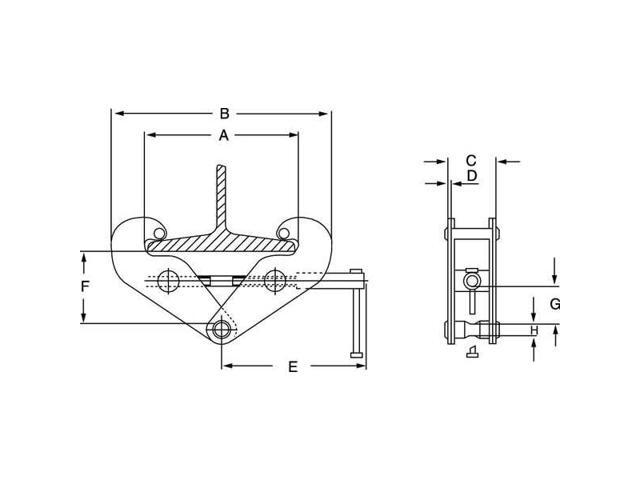
DAYTON 3KR12 Beam Clamp,Vertical Lift,4000 lb.
Steel
$
123
.99
–
Add to cart
View Details